推薦(jiàn)新聞
- 脫硫泵在使(shi)用中出現的(de)故障機器清(qing)理方法2025-12-04
- 脫(tuō)硫泵在實際(jì)應用中都有(yǒu)哪幾個方面(mian)2025-12-04
- 脫硫循(xún)環泵故障的(de)原因分析2025-12-04
- 造成脫硫(liu)循環泵發生(sheng)故障的因素(sù)有哪些2025-12-04
- C4鋼自(zi)吸泵要如何(he)提高吸水速(sù)度方法2025-12-04
C4鋼法(fǎ)蘭
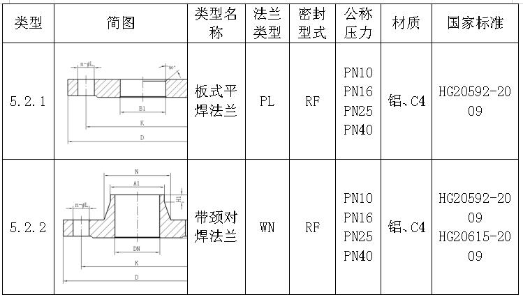
C4鋼法蘭,C4鋼(gāng)法蘭廠家其(qi)法蘭類型包(bāo)括:闆式平焊(han)法蘭、帶頸平(ping)焊❌法蘭、帶頸(jing)對焊法蘭、整(zheng)體法蘭、承插(chā)焊法蘭、螺紋(wén)法蘭、對焊🧑🏽🤝🧑🏻環(huan)松💃套法蘭、平(ping)焊環松套法(fǎ)蘭、法蘭蓋和(hé)襯裡🚩法蘭蓋(gài)。
服務熱線: 18071778832 立(li)即咨詢産品(pin)介紹
法蘭密封面(miàn)型式及代号(hao)按圖所示。法(fǎ)蘭的密封面(mian)包括:突面、凹(ao)面/凸面、榫面(miàn)/槽面、全平面(mian)和環連接面(mian)。我公司硝酸(suan)項目上常用(yòng)法蘭密封面(mian)型式為突面(mian)。


C4闆式平焊法(fa)蘭
法蘭的尺(chǐ)寸按圖和表(biao)的規定

PN16 C4闆式(shi)平焊法蘭
PN25 C4闆(pǎn)式平焊法蘭(lán)


PN40 C4闆式平焊法(fa)蘭

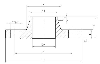
C4帶頸對焊(han)法蘭
法蘭的(de)尺寸按圖和(hé)表的規定

PN10 C4帶(dài)頸對焊法蘭(lán)

PN16 C4帶頸對焊法(fǎ)蘭

PN25 C4帶頸對焊(han)法蘭

PN40 C4帶頸對(dui)焊法蘭

(此内(nei)容由fengxun.cc提供)
上一條: 鋁儲罐 下(xià)一條: C4管件、闆材、棒(bàng)料、管子












聯系我們
添(tian)加微信
電話(hua)咨詢